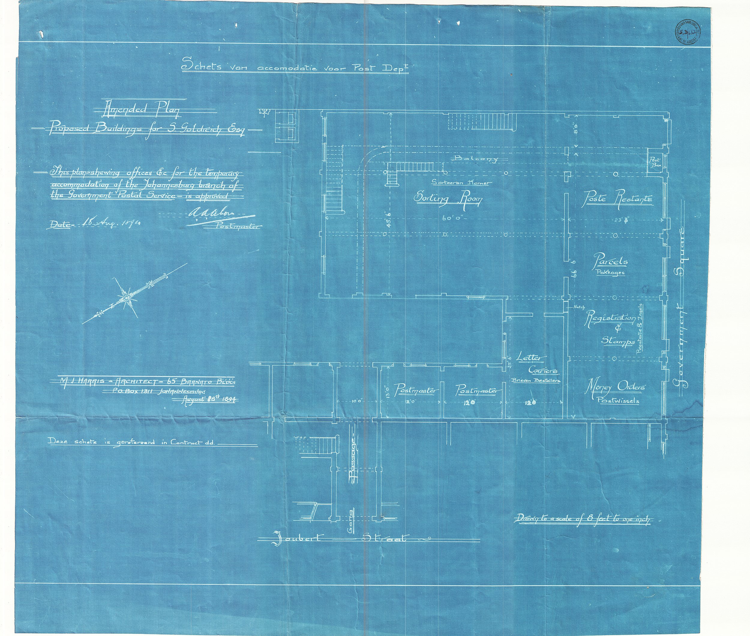
Schets van accomodatie voor Post Dept., Johannesburg
Loading...
Date
Authors
Departement Publieke Werken
Publieke Werke Dept.
Journal Title
Journal ISSN
Volume Title
Publisher
Abstract
Description
Digitised version of National Archive file S.3/632. Sketch plan of the accommodations for the Johannesburg postal department
Keywords
Post office, Johannesburg
